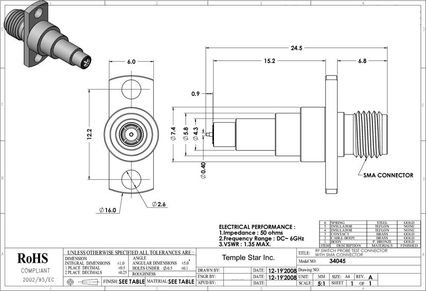
SMA Coaxial Probe

  Material between inner and outer conductors: Teflon,  at all frequencies

 

sma_connector

https://wwws.samtec.com/build-a-part/images/specs/sma_termination.gif

 

3. http://www.temple-star.com/sma/SMA_RF_SWITCH_Simplified_lock_test_probe.jpg

http://www.temple-star.com/sma/SMA_RF_SWITCH_Simplified_lock_test_probe.jpg