Rectangular Waveguide Flange
1. Flange Types
1)
Meanings of designation letters
a) EIA
(Electronic Industries Alliance) standards: in North America
Flange designations:
xxR( )
CMR(
), CPR( )
C: connector
M: miniature contact
P: pressurizable contact
R: rectangular waveguide
F: flat
G: grooved
Example: CPR284G, CMR90
b)
BS(British Standards) RCSC
4985-99-( )
c)
IEC(International Electrotechnical Commission)
Flange designations:
IEC 143 IEC-( )
Plain: PAR( ), PBR( ), PCR( ), PDR( ), PFR( ), UAR( ), UBR( ), UER( )
Choke: CAR( ), CBR( ),
P: pressurizable
C: pressurizable choke
U: unpressurizable
R: rectangular
waveguide
A, B, C, D, E, F:
various mechanical features
A: circular
B: square
d)
American Armed Services Standards
Flange designations:
UG-( )/U
418A, 437A, 135, ....

2) Flange Type Identification
- Cover flanges, ungrooved: waveguide walls are in a direct contact.
Holes are all of clearance type. When two cover flanges are mated for outdoor
uses, a special conductive gasket is required.
- Mating

- Square cover flange = UBR
- Circular (= round) cover flange = UAR

- Cover flanges, grooved (with gasket): gasket is installed in flange
mating surface to prevent RF and/or gas leakage or to ensure pressurization.
All holes are of clearance type. Can be mated with choke, cover, and cover
gasket flanges. One gasket is used for cover flange-to-cover gasket flange
mating. Two gaskets are required for mating two cover gasket flanges or for
mating a cover gasket flange with a choke flange.
- Expanded metal gasket:


- Square grooved flange = PBR
- Circular grooved flange = PAR

- Choke flanges
(non-contacting): waveguide walls are not in a direct contact.
- Square choke flange = CBR

- Circular
choke flange = CAR
(Square choke = CBR) (Circular choke = CAR)
- Choke-groove flange: contains a
gasket groove, choke groove and tapped holes. Mates with an appropriate cover
flange, but not with choke flange. A single O-ring is used when a choke and
cover flanges are mated. When a choke flange is mated with a cover gasket
flange, an O-ring gasket and a half gasket are required.

(Square choke grooved = CBR)
(Circular choke grooved = CAR)
- Contact grooved

- CPRF(Contact,
pressurizable, rectangular, flat) (approximately equivalent to UDR): Connected
with nuts and bolts plus a special conductive gasket.

- CPRG (Contact,
pressurizable, rectangular, grooved)(approximately equivalent to PDR):
Connected with bolts and nuts. A single full gasket or two one-half thickness
gaskets are used when mating a CPRG flange to another CPRG flange. A one-half
thickness gasket is required when mating a CPRG flange to a CPRF flange.

- CMR (Contact, miniature, unpressurizable, rectangular) = UER: Gaskets not
used. Available with three different types of attachment hole patterns - all
tapped holes, alternate tapped/clearance holes, and all clearance holes. UER
(IEC version) has all clearance holes.

- PDR (IEC designation): PDR contact flanges
require gaskets different from those for CPR because of deeper gasket grooves.
There are also small tolerance and hardware differences but PDR and CPR flanges
can be mated.
2. Flanges for Pressurization
1) Pressure flange
- Used in waveguide pressurization. VSWR < 1.1, 15 psi,
1/8" Schrader inlet valve

2) Flange with pressure window
- Window materials:
-
Teflon
-
Fiberglass
-
Kapton: high-temperature capability.
-
Mica
-
Ceramic: boron nitride (for high power applications)
- Fabrication: Dielectric materials are captivated within
the flange structure
- Allowable pressure: 30 psi
- Alumina ceramic:
For high-power RF window applications. Use of high quality
powder (grain size < 0.8 ¥ìm,
99.99% purity). Voids in the ceramic should be eliminated. Use of low RF loss
sintering binder materials. Micro-voids between grain boundaries and large
amounts of magnesium (Mg) are the main reasons for the discharge breakdown.

3. Flange Gaskets
1) Construction Materials
- Conductive silicone
(EMF/RFI
gasket)
(O-ring
gasket for choke flange)
(CPRG
full gasket)
(CPRG
half gasket)
(Pressure
gasket)
4. Flange Dimensions
1) Summarized data
H, X, M, P, N, K, R Bands:



Drill Sizes and Decimal Equivalents
(source: Cobham catalog)

Machine-Screw Dimensions (Source: Cobham catalog)

Flange Specifications (source: Cobham catalog)

Double Ridge Waveguide Specifications (source: Cobham
catalog)


Waveguide Power Handling vs. Pressure (source: Cobham catalog)

(Note)
1 atm = 760 mmHg = 760 Torr = 14.70 psi = 1.06 ton/ft2
= 1.033 kg/cm2 = 33.9 ft H2O
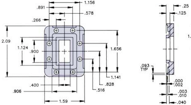
Flange Drawing (WR-19) (source: Cobham calalog)


Flange Drawing (WR-22) (source: Cobham calalog)


Flange Drawing (WR-28) (source: Cobham calalog)




Flange Drawing (WR-34) (source: Cobham calalog)








CMR-90

CPRF-90

CPRG-90


Altitude De-Rating of Waveguide

Flexible Waveguides

Materials of construction: brass, beryllium copper,
silver-plated brass, silver-plated beryllium copper
Waveguide-Flange
Connection Methods
(Thru)
(Butt
= Corral thru)
(Butt
socket)
(Butt corral)
GLOSSARY
MPRWG (metal pipe rectangular waveguide)
Rectangular Waveguides for THz
FEATURES and
APPLICATIONS
Features
Applications
MODAL FIELDS
Fig. The coordinate system for the
waveguide analysis [1].
TEmn modes
![]()
![]()
![]()
![]()
![]()
![]()
![]()
![]()
![]()
![]()

![]()
![]()


TMmn modes
![]()
![]()
![]()
![]()
![]()
![]()
![]()
![]()
![]()
![]()
![]()
![]()
![]()


Dominant TE10 Mode
1. Formulas and Equations
![]()
![]()
![]()
![]()
![]()
![]()
![]()
![]()
![]()
![]()

![]()
![]()
![]()

![]()
Let
for the maximum
power transfer before breakdown.
![]()
![]()
![]()
2. Recommended Frequency Range of Operation
Cut-off frequency:
![]()
Recommended operating frequency
range:
(commercial
waveguides)
(waveguide components)
![]()
Example: WR-10,
,
, ![]()
3. Current on
Waveguide Walls
- On side walls: Current in transverse direction.
Vertical slot provides no perturbation.
- On the center line of broad walls: Current in waveguide
axis direction. Axial slot incurs no effect.
- Consideration of current flow is important in designing
radiating and coupling slots and waveguide mating devices.
Modal Field Distribution
Fig. Field
distribution of the rectangular waveguide modes.
CUT-OFF FREQUENCIES
ATTENUATION
Fig. The attenuation in the rectangular waveguide [1].
MODE CONVERTER
COMMERCIAL RECTANGULAR
WAVEGUIDES
|
Designation |
Inner dimension a x b (mm) |
a, b tolerances (mm) |
Max. inner radius (mm) |
Wall thickness (mm) |
Series A TE10 mode operating frequency (GHz) (f1-f2) |
Series B TE10 mode operating frequency (GHz) (f1-f2) |
TE10 mode cutoff frequency (GHz) |
Attenuation of AL waveguide (dB/30.5m) (f1-f2) |
b/a |
Band desig. |
||
|
EIA |
BS |
IEC |
||||||||||
|
WR |
WG |
R |
||||||||||
|
2300 |
|
3 |
584.2¡¿292.1 |
|
|
4.78 |
0.32 - 0.49 |
|
0.257 |
0.040-0.027 |
0.500 |
|
|
2100 |
|
4 |
533.4¡¿266.7 |
|
|
4.78 |
0.35 - 0.53 |
|
0.281 |
0.046-0.031 |
0.500 |
|
|
1800 |
|
5 |
457.2¡¿228.6 |
|
|
3.18 |
|
0.41 - 0.64 |
0.328 |
0.058-0.039 |
0.500 |
|
|
1500 |
|
6 |
381.0¡¿190.5 |
¡¾0.381 |
1.19 |
3.18 |
0.49 - 0.75 |
|
0.394 |
0.076-0.051 |
0.500 |
|
|
1150 |
|
8 |
292.1¡¿146.1 |
¡¾0.381 |
1.19 |
3.18 |
|
0.64 - 0.96 |
0.514 |
0.113-0.076 |
0.500 |
|
|
1000 |
|
|
353.4¡¿123.8 |
|
1.19 |
|
0.75 - 1.10 |
|
|
|
0.489 |
|
|
975 |
|
9 |
247.7¡¿123.8 |
|
1.19 |
3.18 |
0.75 - 1.12 |
|
0.606 |
0.145-0.098 |
0.500 |
|
|
770 |
|
12 |
195.5¡¿97.79 |
¡¾0.254 |
1.19 |
3.18 |
|
0.96 - 1.46 |
0.767 |
0.21-0.14 |
0.500 |
|
|
650 |
06 |
14 |
165.1¡¿82.55 |
¡¾0.127 |
1.19 |
2.03 |
1.12-1.70 |
|
0.908 |
0.27-0.18 |
0.500 |
|
|
510 |
|
18 |
129.5¡¿64.77 |
¡¾0.127 |
1.19 |
2.03 |
|
1.45-2.20 |
1.154 |
0.38-0.26 |
0.500 |
|
|
430 |
08 |
22 |
109.2¡¿54.61 |
¡¾0.127 |
1.19 |
2.03 |
1.70-2.60 |
|
1.375 |
0.50-0.33 |
0.500 |
|
|
340 |
09A |
26 |
86.36¡¿43.18 |
¡¾0.127 |
1.19 |
2.03 |
|
2.20-3.30 |
1.737 |
0.68-0.47 |
0.512 |
|
|
284 |
10 |
32 |
72.14¡¿34.04 |
¡¾0.127 |
1.19 |
2.03 |
2.60-3.95 |
|
2.080 |
0.95-0.65 |
0.472 |
|
|
229 |
11A |
40 |
58.17¡¿29.21 |
¡¾0.127 |
1.19 |
2.03 |
|
3.30-4.90 |
2.577 |
1.21-0.86 |
0.502 |
|
|
187 |
12 |
48 |
47.55¡¿22.15 |
¡¾0.127 |
0.79 |
1.63 |
3.95-5.85 |
|
3.155 |
1.79-1.24 |
0.466 |
|
|
159 |
13 |
58 |
40.39¡¿20.19 |
¡¾0.102 |
0.79 |
1.63 |
|
4.90-7.05 |
3.705 |
1.99-1.49 |
0.500 |
|
|
137 |
14 |
70 |
34.85¡¿15.80 |
¡¾0.102 |
0.79 |
1.63 |
5.85-8.20 |
|
4.285 |
2.53-2.00 |
0.453 |
|
|
112 |
15 |
84 |
28.50¡¿12.62 |
¡¾0.102 |
0.79 |
1.63 |
|
7.05-10.0 |
5.260 |
3.55-2.76 |
0.443 |
|
|
102 |
|
- |
25.91¡¿12.95 |
¡¾0.076 |
0.79 |
1.63 |
7.0-11.0 |
|
5.787 |
4.27-2.89 |
0.500 |
|
|
90 |
16 |
100 |
22.86¡¿10.16 |
¡¾0.076 |
0.79 |
1.27 |
8.2-12.4 |
|
6.560 |
5.54-3.83 |
0.444 |
£Ø |
|
75 |
17 |
120 |
19.05¡¿9.53 |
¡¾0.076 |
0.79 |
1.27 |
|
10.0-15.0 |
7.847 |
6.55-4.58 |
0.500 |
|
|
62 |
18 |
140 |
15.80¡¿7.90 |
¡¾0.076 |
0.40 |
1.02 |
12.4-18.0 |
|
9.490 |
8.26-6.07 |
0.500 |
|
|
51 |
19 |
180 |
12.95¡¿6.477 |
¡¾0.064 |
0.40 |
1.02 |
|
15.0-22.0 |
11.54 |
11.3-8.17 |
0.500 |
|
|
42 |
20 |
220 |
10.67¡¿4.318 |
¡¾0.051 |
0.40 |
1.02 |
18.0-26.5 |
|
14.08 |
17.7-13.0 |
0.405 |
|
|
34 |
21 |
260 |
8.636¡¿4.318 |
¡¾0.051 |
0.40 |
1.02 |
|
22.0-33.0 |
17.28 |
21.6-15.0 |
0.500 |
|
|
28 |
22 |
320 |
7.112¡¿3.556 |
¡¾0.038 |
0.40 |
1.02 |
26.5-40.0 |
|
21.10 |
24.6-16.8 |
0.500 |
|
|
22 |
23 |
400 |
5.690¡¿2.845 |
¡¾0.025 |
0.25 |
1.02 |
|
33.0-50.0 |
26.35 |
34.5-23.5 |
0.500 |
£Ñ |
|
19 |
24 |
500 |
4.775¡¿2.388 |
¡¾0.025 |
0.25 |
1.02 |
40.0-60.0 |
|
30.69 |
38.0-27.3 |
0.500 |
£Õ |
|
15 |
25 |
620 |
3.759¡¿1.880 |
¡¾0.025 |
0.20 |
1.02 |
|
50.0-75.0 |
39.90 |
64.2-43.9 |
0.500 |
£Ö |
|
12 |
26 |
740 |
3.099¡¿1.549 |
¡¾0.013 |
0.15 |
1.02 |
60.0-90.0 |
|
48.40 |
87.8-58.9 |
0.500 |
£Å |
|
10 |
27 |
900 |
2.540¡¿1.270 |
¡¾0.013 |
0.10 |
1.02 |
|
75.0-110 |
58.85 |
101-71.0 |
0.500 |
£× |
|
8 |
28 |
1200 |
2.032¡¿1.016 |
¡¾0.0076 |
0.051 |
0.51 |
90.0-140 |
|
73.84 |
154-98.7 |
0.500 |
|
|
6 |
29 |
1400 |
1.651¡¿0.826 |
¡¾0.0076 |
0.051 |
0.51 |
|
110-170 |
90.85 |
214-135 |
0.500 |
£Ä |
|
5 |
30 |
1800 |
1.295¡¿0.648 |
¡¾0.0076 |
0.051 |
0.51 |
140-220 |
|
115.8 |
308-194 |
0.500 |
£Ç |
|
4 |
31 |
2200 |
1.092¡¿0.546 |
¡¾0.0076 |
0.025 |
0.51 |
|
170-260 |
137.5 |
377-251 |
0.500 |
|
|
3 |
32 |
2600 |
0.864¡¿0.432 |
¡¾0.0076 |
0.025 |
Round |
220-330 |
|
173.3 |
512-341 |
0.500 |
£Ù |
|
(2.8) |
|
|
0.711x0.356 |
|
|
|
|
260-400 |
|
|
0.500 |
|
|
(2.2) |
|
|
0.559x0.279 |
|
|
|
330-500 |
|
|
|
0.500 |
|
|
(1.9) |
|
|
0.483x0.241 |
|
|
|
|
400-600 |
|
|
0.500 |
|
|
(1.5) |
|
|
0.381X0.181 |
|
|
|
500-750 |
|
|
|
0.500 |
|
|
(1.2) |
|
|
0.305X0.152 |
|
|
|
|
600-900 |
|
|
0.500 |
|
|
(1.0) |
|
|
0.254x0.127 |
|
|
|
750-1100 |
|
|
|
0.500 |
|
|
(0.80) |
|
|
0.203X0.102 |
|
|
|
|
900-1400 |
|
|
0.500 |
|
|
(0.65) |
|
|
0.165x0.083 |
|
|
|
1100-1700 |
|
|
|
0.500 |
|
|
(0.51) |
|
|
0.130x0.065 |
|
|
|
|
1400-2200 |
|
|
0.500 |
|
Note:
1. Materials,
A=aluminum (1110 or 6061 alloy), B=brass, C=copper, S=silver
2.
Waveguide number with parentheses: (2.8) for example is from Virginia Diodes
Inc.
Note:
1.
Materials, A=aluminum (1110 or 6061 alloy), B=brass, C=copper, S=silver
2. Waveguide number
Rectangular Waveguide Flange
1.
Flange Designations
2. Flange Types


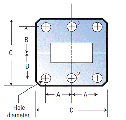
Standard Flange Data
Sources: 1. Maury Microwave Corp.
|
Waveguide |
A(mm) |
B(mm) |
E(mm) |
F(mm) |
G(mm) |
H(mm) |
Hole diameter(mm) |
|
WR-650 |
138.18 |
220.73 |
58.69 |
31.73 |
60.30 |
100.00 |
8.20 |
|
WR-430 |
106.38 |
161.04 |
43.69 |
23.83 |
45.39 |
70.99 |
6.71 |
|
WR-284 |
circular flange |
|
|
|
|
|
|
|
WR-229 |
70.20 |
98.73 |
26.67 |
12.70 |
27.18 |
41.15 |
6.50 |
|
WR-187 |
circular flange |
|
|
|
|
|
|
|
WR-159 |
61.98 |
80.77 |
22.35 |
9.53 |
12.70 |
32.26 |
6.50 |
|
WR-137 |
circular flange |
|
|
|
|
|
|
|
|
|
|
|
|
|
|
|
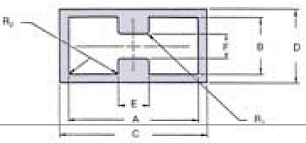
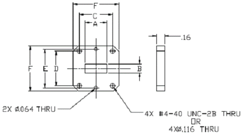
Square Cover Flange
a) Maury Microwave Corp.

|
Waveguide |
A(mm) |
E(mm) |
F(mm) |
Hole diameter(mm) |
|
WR-112 |
47.90 |
18.72 |
17.17 |
4.255 |
|
WR-90 |
41.40 |
16.26 |
15.49 |
4.255 |
|
WR-75 |
38.30 |
14.25 |
13.21 |
4.085 |
|
WR-62 |
33.30 |
12.14 |
12.63 |
4.085 |
|
WR-51 |
33.27 |
12.62 |
12.14 |
3.658 |
|
WR-42 |
22.41 |
8.51 |
8.13 |
3.07 |
|
WR-34 |
22.41 |
8.51 |
8.13 |
3.07 |
|
WR-28 |
19.05 |
6.73 |
6.35 |
2.98 |
b) Quinstar Specifications



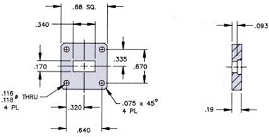
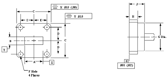
Square Choke Flange
1) Quinstar Specifications


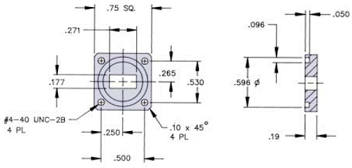
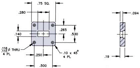
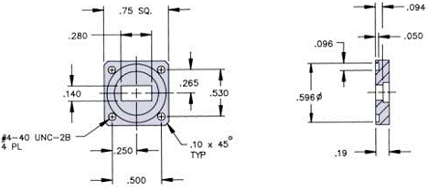
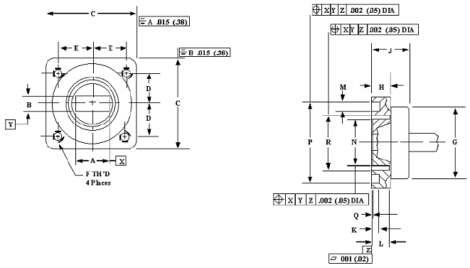
Circular Cover Flange
1) Quinstar Specifications


2) Maury Microwave Inc. Specifications

|
Waveguide |
A (mm) |
Hole circle dia.(mm) |
Holes C Type |
Holes D dia.(mm) |
Dowels E dia.(mm) dowels |
|
WR-22 |
28.55 |
23.81 |
4-40 UNC-2B |
1.613 |
1.555 |
|
WR-19 |
28.55 |
23.81 |
4-40 UNC-2B |
1.613 |
1.555 |
|
WR-15 |
19.05 |
14.29 |
4-40 UNC-2B |
1.613 |
1.555 |
|
WR-12 |
19.05 |
14.29 |
4-40 UNC-2B |
1.613 |
1.555 |
|
WR-10 |
19.05 |
14.29 |
4-40 UNC-2B |
1.613 |
1.555 |
|
WR-8 |
19.05 |
14.29 |
4-40 UNC-2B |
1.613 |
1.555 |
|
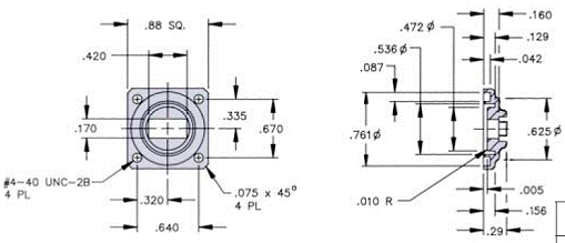
|
|
|
|
|
|
|
|
|
|
|
|
|
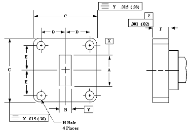
- Indexing:
- 2 index
pins: press-fit
- 4-pin
indexing pattern
- Raised boss in the center
- Existing design and problems: WR-22 for an example

- Cocking of mated flanges: Bolts outside the raised boss area. It is very
difficult to get a perfectly flat connection.
- Fixed index pin: Flange surface is unserviceable when it gets rough. Flange
surface needs to be lapped back to a smooth surface at regular intervals.
- Poor repeatability: Due to too much hole clearances for index pin and
cocking of the mated flanges.
- Poor index pin design: Fixed pin requires a lot of extra clearance to allow
for the worst-case tolerance conditions. Index pin placed at 45-degree location
leads to difficulties in placing it and checking the accuracy of the location.
Improved
Design
- Improved indexing schemes:
-
Two index holes in waveguide center line: Greatly improves the precision in
both fabrication and inspection.
-
Index pins are slip-fit type. Index pin is not installed in fixed position so
that it does not complicate
tolerance problems in mating.
- Raised outer edge: Prevent
cocking. Saves connection time. Makes lapping easier.
- Smaller-diameter boss at
waveguide center: Increased pressure on the mating surfaces.
- Can be made compatible with
existing standards.



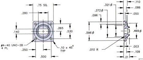
Circular Flange, Pin-Contacted, Threaded Ring
1) Quinstar Inc. Specifications



(Figure from Space Machine & Engineering Corp.)
Waveguide Flanges - North American Types
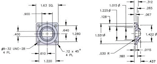
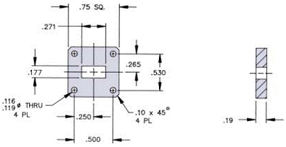
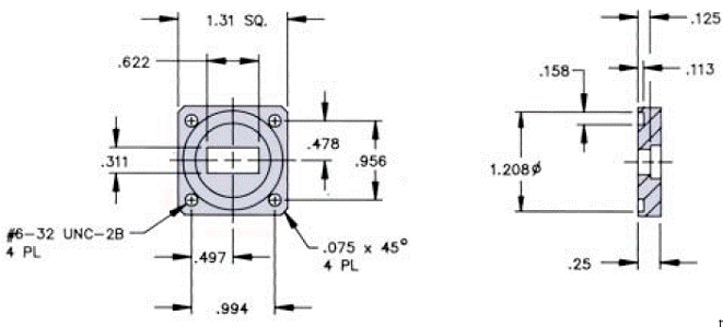
Contact grooved:
CPR (Contact Pressurized Rectangular):
Square Cover:
Round Cover:
|
ºÐ·ù¹øÈ£ |
ÇüÅ |
Ä¡¼ö µ¥ÀÌÅÍ (mm) |
||
|
EIA |
BS |
IEC |
||
|
WR |
WG |
R |
||
|
2300 |
|
3 |
|
|
|
2100 |
|
4 |
|
|
|
1800 |
|
5 |
|
|
|
1500 |
|
6 |
|
|
|
1150 |
|
8 |
|
|
|
975 |
|
9 |
|
|
|
770 |
|
12 |
|
|
|
650 |
06 |
14 |
2 |
A=138.90, B=221.50, E=58.69, F=31.73,
G=60.30, H=100.00, ¨ª=8.20 |
|
510 |
|
18 |
2 |
|
|
430 |
08 |
22 |
|
A=106.38, B=161.14, E=43.69, F=23.83,
G=45.39, H=70.00, ¨ª=6.71 |
|
340 |
09A |
26 |
|
|
|
284 |
10 |
32 |
|
|
|
229 |
11A |
40 |
|
A=70.20, B=98.73, E=26.67, F=12.70,
G=27.18, H=41.15, ¨ª=6.50 |
|
187 |
12 |
48 |
|
|
|
159 |
13 |
58 |
|
|
|
137 |
14 |
70 |
|
|
|
112 |
15 |
84 |
3 |
C=47.90, D=18.72, E=17.17, ±¸¸ÛÁ÷°æ=4.255 Ç÷¹ÀÎÁö °¡·Î(=¼¼·Î)=47.90mm, °¡·Î ±¸¸Û°£°Ý=34.34mm, ¼¼·Î ±¸¸Û°£°Ý=37.441mm, ±¸¸ÛÁ÷°æ=4.26mm, µÎ²²= |
|
102 |
|
- |
|
|
|
90 |
16 |
100 |
4-hole Á¤»ç°¢Çü |
UG-39/U Ç÷¹ÀÎÁö °¡·Î(=¼¼·Î)=41.40mm, °¡·Î ±¸¸Û°£°Ý=30.99mm, ¼¼·Î ±¸¸Û°£°Ý=32.51mm, ±¸¸ÛÁ÷°æ=4.37mm, µÎ²²= |
|
75 |
17 |
120 |
4-hole Á¤»ç°¢Çü |
Ç÷¹ÀÎÁö °¡·Î(=¼¼·Î)=38.10mm, °¡·Î ±¸¸Û°£°Ý=26.42mm, ¼¼·Î ±¸¸Û°£°Ý=28.50mm, ±¸¸ÛÁ÷°æ=3.73mm, µÎ²²= |
|
62 |
18 |
140 |
4-hole Á¤»ç°¢Çü |
UG-419/U Ç÷¹ÀÎÁö °¡·Î(=¼¼·Î)=33.32mm, °¡·Î ±¸¸Û°£°Ý=25.25mm, ¼¼·Î ±¸¸Û°£°Ý=24.28mm, ±¸¸ÛÁ÷°æ=3.73mm, µÎ²²= |
|
51 |
19 |
180 |
4-hole Á¤»ç°¢Çü |
Ç÷¹ÀÎÁö °¡·Î(=¼¼·Î)=31.00mm, °¡·Î ±¸¸Û°£°Ý=20.58mm, ¼¼·Î ±¸¸Û°£°Ý=22.50mm, ±¸¸ÛÁ÷°æ=4.085mm |
|
42 |
20 |
220 |
4-hole Á¤»ç°¢Çü |
UG-383/U UG-595/U: Ç÷¹ÀÎÁö °¡·Î(=¼¼·Î)=22.23mm, °¡·Î ±¸¸Û°£°Ý=16.26mm, ¼¼·Î ±¸¸Û°£°Ý =17.02mm, ±¸¸ÛÁ÷°æ=2.95mm, µÎ²²=4.75mm |
|
34 |
21 |
260 |
4-hole Á¤»ç°¢Çü |
UG-383/U UG-595/U: Ç÷¹ÀÎÁö °¡·Î(=¼¼·Î)=22.23mm, °¡·Î ±¸¸Û°£°Ý=16.26mm, ¼¼·Î ±¸¸Û°£°Ý =17.02mm, ±¸¸ÛÁ÷°æ=2.95mm, µÎ²²=4.75mm |
|
28 |
22 |
320 |
4-hole Á¤»ç°¢Çü |
UG-599/U: Ç÷¹ÀÎÁö °¡·Î(=¼¼·Î)=19.05mm, °¡·Î ±¸¸Û°£°Ý=12.70mm, ¼¼·Î ±¸¸Û°£°Ý =13.46mm, ±¸¸ÛÁ÷°æ=2.95mm, µÎ²²=4.83mm |
|
8-hole ¿øÇü |
UG-383/U |
|||
|
22 |
23 |
400 |
8-hole ¿øÇü |
UG-383/U |
|
19 |
24 |
500 |
8-hole ¿øÇü |
UG-383/U |
|
15 |
25 |
620 |
8-hole ¿øÇü |
UG-387/U |
|
12 |
26 |
740 |
8-hole ¿øÇü |
UG-387/U |
|
10 |
27 |
900 |
8-hole ¿øÇü |
UG-387/U |
|
8 |
28 |
1200 |
8-hole ¿øÇü |
UG-287/U |
|
4-hole ¿øÇü |
TRG-714/U |
|||
|
7 |
|
1400 |
8-hole ¿øÇü |
UG-387/U |
|
4-hole ¿øÇü |
TRG-714/U |
|||
|
5 |
|
1800 |
8-hole ¿øÇü |
UG-387/U |
|
4-hole ¿øÇü |
TRG-714/U |
|||
|
4 |
|
2200 |
8-hole ¿øÇü |
UG-387/U |
|
4-hole ¿øÇü |
TRG-714/U |
|||
|
3 |
|
2600 |
8-hole ¿øÇü |
UG-387/U |
|
4-hole ¿øÇü |
TRG-714/U |
|||

2. »ç°¢ÇüµµÆÄ°ü Ç÷¹ÀÎÁö ÇüÅÂ
2) Flange Type 2 (UDR Series Flange)

3) Flange Type 3 (UBR Series Flange)


4)
Flange Type 4 (UG-38x/U Series, MIL-F-3922/67B-xxx Series)
TRG-714
: Ç÷¹ÀÎÁö UG-387 : Ç÷¹ÀÎÁö
UG-383 :
Ç÷¹ÀÎÁö
¹Ð¸®¹ÌÅÍÆÄ´ë¿ª
Ç÷¹ÀÎÁö
1) ¿ä¾àÇ¥

|
Type |
Ãֿܰ¢ ÇüÅ ¹× Å©±â |
µÎ²²(mm) |
|
UG-595/U |
Á¤»ç°¢Çü 22.225mm (0.875") |
4.826mm (0.190") |
|
UG-599/U |
Á¤»ç°¢Çü 19.050mm (0.750") |
4.826mm (0.190") |
|
UG-383/U |
¿øÇü Á÷°æ 28.575mm (1.125") |
3.302mm (0.130") |
|
UG-385/U |
|
|
|
UG-387/U |
¿øÇü Á÷°æ 19.050mm (0.750") |
3.302mm (0.130") |
|
TRG-714/U |
¿øÇü Á÷°æ 9.747mm (0.388") |
Not applicable |
|
|
|
|
|
|
|
|
|
|
|
|
¨ç TRG-714 Ç÷¹ÀÎÁö (Mini-contact flange): Á÷°æ 9.474 mm (0.383")
- 90GHz ÀÌ»óÀÇ Á֯ļö¿¡¼µµ TRG-714 Ç÷¹ÀÎÁöº¸´Ùµµ UG-387 Ç÷¹ÀÎÁö°¡ ´õ ¸¹ÀÌ »ç¿ëµÊ.
-
TRG-714 Ç÷¹ÀÎÁöÀÇ °áÇÕ¹æ¹ýÀ» µµÆÄ°ü ºÎǰ (¿¹, ¹Í¼ ºí·Ï)¿¡ Àû¿ëÇϱ⠰ï¶õÇÔ.
- °áÇÕ ¿ÀÂ÷: 0.0032" maximum lateral misalignment

¨è
UG-387 Ç÷¹ÀÎÁö:
Á÷°æ
19.050 mm (0.75")
°¡. Ç¥ÁØÇü
Ç÷¹ÀÎÁö µµ¸é

Flange Screw
- Ç÷¹ÀÎÁö¿¡ Ç×»ó º¼Æ®°¡ ÀåÂøµÇ¾î ÀÖµµ·Ï
captive screw°¡
»ç¿ëµÊ.
- ³ª»ç»ê(thread)°¡ ¾ø´Â ºÎºÐ:
Á÷°æ
0.078" +0/-0.002"
- Recommended seating
torque: 5 in-lb typ., 8 in-lb max.
- ÀçÁú:
½ºÅ×Àη¹½º
½ºÆ¿
(303, 305 type)
- Screw tap ±Ô°Ý:
#4-40 UNC 2A

Ç÷¹ÀÎÁö Á¶¸³ Á¤¹Ðµµ(alignment
accuracy)
- Alignment pin (dowel)ÀÇ Á¤È®µµ(ÇÉÀ§Ä¡,
ÇÉÁ÷°æ,
Çɱ¸¸Û
À§Ä¡,
Çɱ¸¸Û
Á÷°æ)¿¡ ÀÇÇØ °áÁ¤µÊ.
- W-´ë¿ª
(75-110GHz)¿¡¼
0.006", 0.003"ÀÇ
°áÇÕ¿ÀÂ÷°¡
ÀÖÀ»
°æ¿ì
Ç÷¹ÀÎÁö
Á¢Çպο¡
ÀÇÇÑ
¹Ý»ç°è¼ö´Â
°¢°¢
-23dB¿Í
-35dBÀÌ´Ù.
- Alignment pin Á¾´ÜÀº ¹Ý±¸¸é Çü»óÀ¸·Î ÇÑ´Ù.
|
±Ô°Ý/ȸ»ç |
Á¤·ÄÇÉ ±¸¸Û °øÂ÷ |
Á¤·ÄÇÉ À§Ä¡ °øÂ÷ |
Á¤·ÄÇÉ Á÷°æ |
Á¤·ÄÇÉ ±¸¸Û Á÷°æ |
ÃÖ´ë °áÇÕ¿ÀÂ÷ |
|
MIL Spec. Aerowave Custom
Microwave M/A-Com |
0.001" |
0.0015" |
0.0615" |
0.0670" |
0.008"->
0.006" |
|
Militech |
|
|
0.0635" |
0.0650" |
|
|
Agilent |
|
|
0.0630" |
0.0654" |
0.0049"
-> 0.003" |
|
Hughes, NRAO |
|
|
0.0615" |
0.0635" |
|
³ª. Anti-cocking Çü
UG-387/U¿Í °°Àº Ç÷¹ÀÎÁö´Â µµÆÄ°ü ÁÖº¯ÀÌ ¿øÇüÀ¸·Î Á¶±Ý ´õ Æ¢¾î ³ª¿À°Ô ÇÏ¿©
(central boss) 4°³ÀÇ
screw¸¦
±ÕµîÇÑ
ÈûÀ¸·Î
Á¶ÀÌÁö
¾ÊÀ»
°æ¿ì
¾Æ·¡
±×¸²¿¡¼¿Í
°°ÀÌ
screw°¡
¼³Ä¡µÈ
¸éÀÌ
Á¢Ã˵ÇÁö
¾Ê´Â
°ü°è·Î
ÇÑÂÊÀÌ
´õ
¸¹ÀÌ
Á¶¿©Áö´Â
Çö»ó(cocking)
ÀÌ
¹ß»ýÇÑ´Ù.

Cocking
Çö»óÀ»
¹æÁöÇϱâ
À§ÇØ
¾Æ·¡
±×¸²°ú
°°ÀÌ
central boss¸¦
Á¦°ÅÇÑ
anti-cocking flat flange°¡
»ç¿ëµÈ´Ù.
(Anritsu, Agilent, Flann ȍ
µî)


¾Æ·¡
±×¸²Àº
Agilentȍ˂
µµÆÄ°ü
calibration ºÎǰ¿¡
»ç¿ëµÇ´Â
anti-cocking Ç÷¹ÀÎÁö
µµ¸éÀÌ´Ù.
Alignment ÇÉÀÇ
À§Ä¡¿Í
alignment¿ë
±¸¸ÛÀÇ
¿ÀÂ÷°¡
MIL Spec.º¸´Ù
À۾Ƽ
µµÆÄ°ü
°áÇÕ½Ã
ÃÖ´ë
¿ÀÂ÷°¡
0.003"(0.0762mm) ¹ß»ýÇÒ
¼ö
ÀÖ´Ù.
³»ºÎ¿¡
Ãß°¡·Î
¼³Ä¡ÇÑ
Á¤·ÄÇÉ¿¡
ÀÇÇØ
¿¬°á
Á¤È®µµ°¡
°³¼±µÇÁö´Â
¾Ê´Â´Ù.
¿ÜºÎ
Á¤·ÄÇÉ
±¸¸ÛÀÌ
¸¶¸ð·Î
¿ÀÂ÷°¡
Áõ°¡ÇÒ
°æ¿ì
³»ºÎ
Á¤·ÄÇÉÀ»
»ç¿ëÇÒ
¼ö
ÀÖ´Ù.

¨é
UG-383 Ç÷¹ÀÎÁö:
Á÷°æ
28.575 mm (1.125")

¨ê
UBR Flanges : 0.750" square flange (UG-599/U), 0.875" square flange
- Ç¥ÁØÇü:
Á¤·ÄÇÉÀÌ
¾øÀ½.
- °³¼±Çü:
Á¤·ÄÇÉÀÌ
ÀÖÀ½.



5) Flange Type 5



6) Other Flange Types
- UAR Flange

- 5985-99-083

3. »ç°¢Çü µµÆÄ°ü Ç÷¹ÀÎÁö ±â¼úÁ¤º¸
µÎ µµÆÄ°üÀ» ¿¬°áÇÏ´Â ºÎǰÀ» Ç÷¹ÀÎÁö¶ó ÇÑ´Ù. Ç÷¹ÀÎÁö´Â ¾ÐÃàÇü/ºñ¾ÐÃàÇü, ÃÊ¿ìÅ©Çü/ºñÃÊ¿ìÅ©Çü µîÀ¸·Î ºÐ·ùµÈ´Ù. Ç÷¹ÀÎÁöÀÇ ´Ü¸é ¸ð¾çÀº µµÆÄ°üÀÇ Å©±â¿¡ µû¶ó »ç°¢Çü(Àú¹Ð¸®¹ÌÅÍÆÄ ´ë¿ª ÀÌÇÏ¿¡¼) ¶Ç´Â ¿øÇü(Àú¹Ð¸®¹ÌÅÍÆÄ ÀÌ»ó Á֯ļö¿¡¼)ÀÌ¸ç µÎ °³ÀÇ Ç÷¹ÀÎÁö¸¦ ¿¬°áÇϱâ À§ÇÑ ±¸¸ÛÀÌ Ç÷¹ÀÎÁö °¡ÀåÀÚ¸®¿¡ ¹èÄ¡µÈ´Ù. ±¸¸Û¿¡´Â ³ª»ç»êÀÌ ÀÖ´Â °æ¿ìµµ ÀÖÀ¸¸ç ¾ø´Â °æ¿ìµµ ÀÖ´Ù.
Ç÷¹ÀÎÁöÀÇ ±Ô°ÝÀ¸·Î EIA(Electronic Industry Association), MIL(U.S.
Military), IEC(Interational Electrotechnical Commission) µîÀÌ ÀÖ´Ù. ¼¼ ±Ô°ÝÀº »óÈ£ ȣȯ¼ºÀ» °¡ÁöÁö¸¸ µ¿ÀÏÇÏÁö´Â ¾Ê´Ù. ±Ô°ÝÀÇ Â÷ÀÌ´Â º¸Åë °øÄªÄ¡¼ö»ó»óÀÇ ¹Ì¼ÒÇÑ Â÷ÀÌ, °øÂ÷, ½ºÄ¹ÀÇ ÇüÅ ¹× µÎ²², Á¤¹Ð°áÇÕ¿ë(alignment) ÇÉ/±¸¸Û/ º¼Æ®ÀÇ Ãß°¡ ¶Ç´Â »ý·« µî¿¡ ÀÖ´Ù.
1) ºñ°¡¾ÐÇü Ç÷¹ÀÎÁö
CMR, UER Çü contact Ç÷¹ÀÎÁö´Â ºñ°¡¾ÐÇüÀÌ´Ù. »ç°¢ÇüÀÎ CMR Ç÷¹ÀÎÁö¿¡´Â ³ª»ç»êÀÌ ÀÖ´Â ±¸¸Û°ú ³ª»ç»êÀÌ ¾ø´Â ±¸¸ÛÀÌ ±³´ë·Î ÀÖÀ¸¸ç ³ÊÆ®¸¦ »ç¿ëÇÏÁö ¾Ê°í º¼Æ®¸¸À» »ç¿ëÇÏ¿© ¿¬°áµÈ´Ù. IEC ±Ô°Ý Ç÷¹ÀÎÁö¿¡´Â ³ª»ç»êÀÌ ¾ø´Â ±¸¸Û¸¸ÀÌ ÀÖÀ¸¸ç µÎ Ç÷¹ÀÎÁö´Â ³ÊÆ®¿Í º¼Æ®·Î ü°áµÈ´Ù.
2) °¡¾ÐÇü Ç÷¹ÀÎÁö
2.1) ÃÊ¿ìÅ©(choke)Ç÷¹ÀÎÁö
CBR, CAR ¹× ÀÌ¿Í µ¿µîÇÑ UG ÇüÀÌ ÀÌ¿¡ ¼ÓÇÏ¸ç °³½ºÅ¶ Ȩ, ÃÊ¿ìÅ© Ȩ°ú ³ª»ç»êÀÌ ÀÖ´Â ±¸¸Û µîÀÌ ³ª ÀÖ´Ù. ÃÊ¿ìÅ© Ç÷¹ÀÎÁö´Â Ä¿¹ö Ç÷¹ÀÎÁö¿Í °áÇյǸç ÃÊ¿ìÅ© Ç÷¹ÀÎÁö¿Í´Â °áÇÕµÇÁö ¾Ê´Â´Ù.
2.2) Ä¿¹ö(cover) Ç÷¹ÀÎÁö
UBR, UAR, UG Çü Ç÷¹ÀÎÁö. °³½ºÅ¶ ȨÀ̳ª ÃÊ¿ìÅ© ȨÀÌ ¾øÀ¸¸ç ³ª»ç»êÀÌ ¾ø´Â ±¸¸ÛÀÌ ÀÖ´Ù. ÃÊ¿ìÅ© Ç÷¹ÀÎÁö¿Í Ä¿¹ö Ç÷¹ÀÎÁö¿Í °áÇÕµÉ ¼ö ÀÖ´Ù. µÎ °³ÀÇ Ä¿¹ö Ç÷¹ÀÎÁö¸¦ °áÇÕÇÒ ¶§ Ưº°ÇÑ °³½ºÅ¶À» »ç¿ëÇÏ¸é ³»ºÎ¿¡ ¾ÐÃà±âü¸¦ ³ÖÀ» ¼ö ÀÖÀ¸¸ç ¹æ¼ö±â´ÉÀ» °¡Áö°Ô ÇÒ ¼ö ÀÖ´Ù.
REFERENCES
[1] D. M. Pozar, Microwave
Engineering, Second Edition, New York: John Wiley & Sons, 1998.