OP Amp
[Ideal op-amp
- Infinite input impedance
- Infinit gain for differential input
- Zero output impedance
- Infinite frequency bandwidth
- No nonlinear distortion
[Equivalent circuit
of an ideal op-amp

[Biasing

[Feedback
- Almost always used with a negative feedback
- Part of the output signal is returned to the inverting input
- Feed back reduces the gain of the op-amp

[Inverting amp with
higher gain

![]()
[Summing amp

[Op-amp with positive
feedback
- Saturated the amp. Not a good idea.

[Non-inverting
amplifier

[Voltage follower

[Voltage-to-current
converter

- Transconductance amplifier

Precision 250Ω resistor. Rload
doesn't matter, just as long as op-amp has high enough voltage rails.
[Matrix equations for
op-amp circuits
- Use the node analysis


II. Actual op-amp


Nonideal linear operation: gain decreases with the frequency
Nonlinearity
DC offset


[Open-loop gain

fBOL: open-loop bandwidth



[Nonlinear
limitations
When voltage or current limits are exceeded, clipping of the output
signal occurs causing large nonlinear distortions.


[Slew-rate limit
Full-power bandwidth:

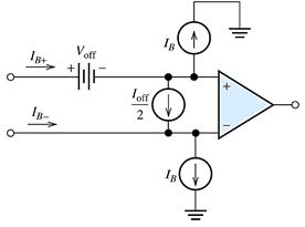
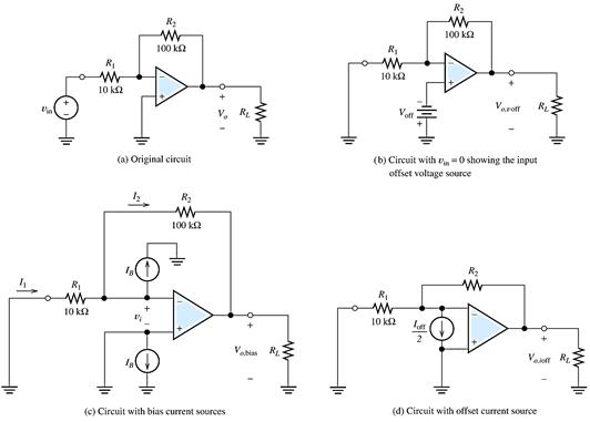
[DC offset values
Offset in the bias current: IB+,
IB–
Offset current: Ioff
Offset voltage: Voff




[741 op-amp
- 105 open-loop gain


[Differential
amplifier



- Simple EKG circuit: uses differential amplifier to cancel common mode
signal and amplify differential mode signal

- Realistic EKG circuit: uses two non-inverting amplifiers to first
amplify voltage from each load, followed by differential amplifier
- This forms an "instrumentation amplifier"

[Integrator

[Differentiator

[Low-pass filter




- Low-pass filter: simple audio, remove frequencies over 20kHz

Decouple the low-pass RC filter from the load.
- Low-pass filter

[High-pass filter

[Band-pass filter
- Cascading of HPF and LPF
[Comparator:
low-voltage alarms, night light controller

[Pulse width
modulator: motor controllers

III. Op-amp applications
1) Strain gage



2) Charge amplifier for piezoelectric transducer


- Used to measure force, pressure, acceleration
- Piezoelectric crystal generates an electric charge in response to
deformation
3) PID controller

- Output process uses VERROR
from the PID controller to adjust Vout such that it is ~VSET


4) PI control
- Temperature control
- Voltage error circuit + proportional integral control circuit



[Books]
Kitchin, A designer's guide to instrumentation amplifiers, 3rd ed.