실험, 07 - 발진회로, 이론
I. 이론
1. Op Amp Multivibrator (=
Square-Wave Generator)

![]()

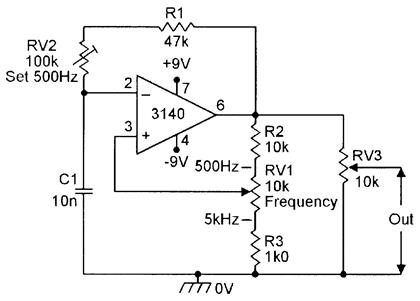
0.5-5kHz square-wave generator

Square-wave generator with duty-cycle adjustment

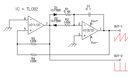
0.1-1kHz triangle/square function generator

0.1-1kHz ramp/rectangle function generator with variable
duty cycle
* Schmitt Trigger Ocillator
![]()
2) Sine Wave Generator
* RC Phase-shift Oscillator

![]()
* Wien-bridge Oscillator

* Op Amp LC Osillator

![]()
* Colpitts Oscillator

![]()
* Hartley Oscillator

![]()
Sine-cosine wave oscillator
http://www.interfacebus.com/cosine-wave-oscillator-circuits.html
Sine-wave oscillators, Carter Op Amp Applications Handbook
Improved Wien oscillator, https://electronics.stackexchange.com/questions/197027/impedance-of-an-sine-wave-circuit
RC phase shift oscillator, https://www.electronics-notes.com/articles/analogue_circuits/operational-amplifier-op-amp/phase-shift-sine-wave-oscillator-generator.php
Improved sine-wave oscillator, zhou(16).pdf (07주-발진기회로)
Low power sine-wave oscillator, osc chip + bpf, dn564(linear technology)

Bubba osc, scott(an).pdf
SAQ preamp, http://dl1dbc.net/SAQ/saqpreamp.html